Все Категории
Услуги
Поддержка
О Нас
Ресурсы
Сетевой трансформатор 10/100 Base-T
Сетевой трансформатор 1000 Base-T
Сетевой трансформатор 2.5G Base-T
Сетевой трансформатор 5G Base-T
Сетевой трансформатор 10/100 Base-T
Сетевой трансформатор 1000 Base-T
Сетевой трансформатор 2.5G Base-T
Позаботьтесь о своем бизнесе с помощью множества надежных способов оплаты.
Используйте номер заказа или номер для отслеживания, чтобы проверить статус доставки.
Получите расценки как можно быстрее и получите более профессиональное обслуживание.
Помогите лучше управлять своим бюджетом и расходами.
Поддержка бесплатных образцов, эффективное достижение результатов тестирования.
Профессиональная команда поддержки и сервиса, чтобы вовремя решить ваши проблемы.
Обращайтесь к нам с любым интересующим вас вопросом, мы поможем вам круглосуточно.
Быстро получите расценки и предложите более профессиональные услуги.
Познакомьтесь с нами и узнайте нашу миссию, веру, услуги и многое другое.
Найдите наши местоположения и свяжитесь с нами.
Узнайте, как мы заботимся о качестве.
Узнайте последние новости и события вокруг l-p.com
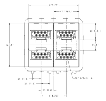
| Part Number: | 2198325-6 | Статус детали | Активные | |||
| Тип разъема | Сосуд с клеткой, групповой (2x2) | Тип соединителя | zSFP+ | |||
| Скорость передачи данных (макс.) (Гбит/с) | 32 | Тип установки | Сквозное отверстие, под прямым углом | |||
| прекращение | Пресс-Посадка | Особенности | EMI экранированный | |||
| Конфигурация матрицы портов | 2x2 порта | Количество портов | 4 | |||
| Количество позиций | 80 (20 х 4) | Тип крепления разъема | Монтаж на доске | |||
| Диапазон рабочих температур | От -55 до 105 ° C | Подключаемые приложения ввода/вывода | SFP+ с термическим усилением | |||
| Схема применения | сигнал | Тип функции сдерживания электромагнитных помех | Внешние пружины | |||
| В комплекте световая трубка | Да | Материал корпуса | Никель-серебряный сплав | |||
| Толщина печатной платы (рекомендуется) | 1.8 мм [07 дюйма] | Длина хвоста | 1.5 мм [059 дюйма] |





United States
Перевозчик
СтоимостьСрок поставкиОтслеживание
Fedex IP
R$159.433 3-6 дня Доступны